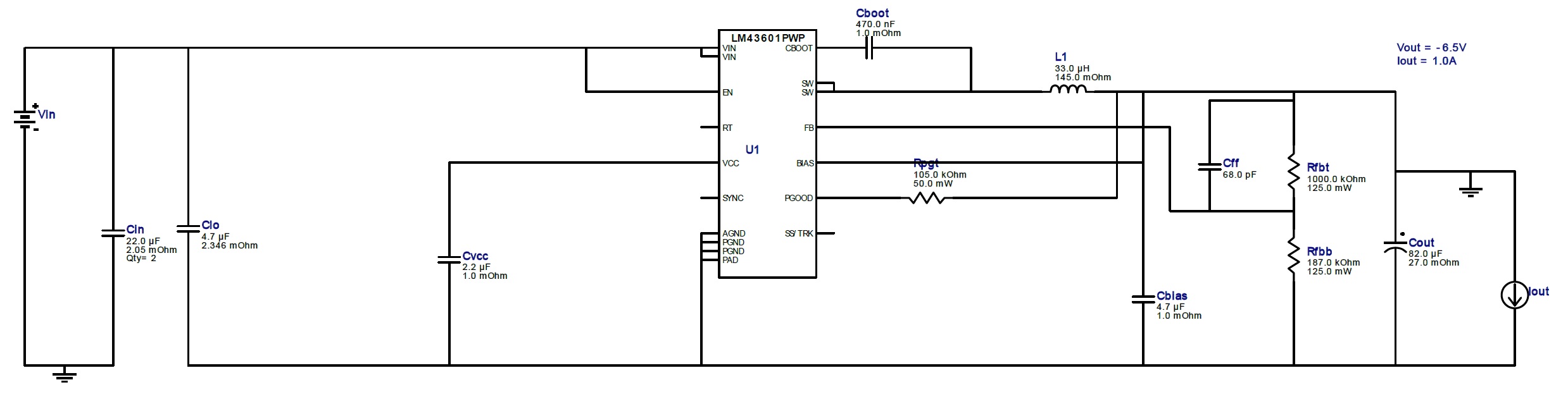
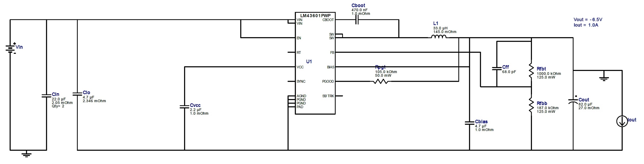
请帮忙看一下, 完全按照ti的设计工具设计电路图,做出来pcb,LM43601输出-6.5V现在在输出端只有-0.7V。
This thread has been locked.
If you have a related question, please click the "Ask a related question" button in the top right corner. The newly created question will be automatically linked to this question.
请帮忙看一下, 完全按照ti的设计工具设计电路图,做出来pcb,LM43601输出-6.5V现在在输出端只有-0.7V。