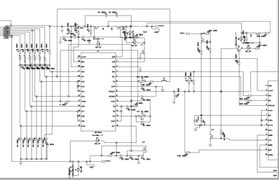
bq76930接入6s1p,接入方式参照手册设计如下
在bqstudio setting AFE cell map设置0273如下所示
Bq78350手册说,读数效果显示从cell1到cell6,而不是预想的 像上图显示的这样,
而实际读取的效果,却是莫名多出来一块电池,显示接入了7块电池,且根据仪表板信息,读取的电池信息却只有5块电池
板子刚做好,没有对芯片进行其他操作,chem ID 随便选了一块LiFeO4的chem ID,因为检测的结果是这样,也不敢进行chem ID的学习,最后贴上自己设计的电路图
bq78350会根据接入的电池数量识别bq76920,76930,76940,除此之外还需要对bq78350和bq76930进行什么其他初始化操作吗,
电路图看不清,随后附上源文件




