各位大神,
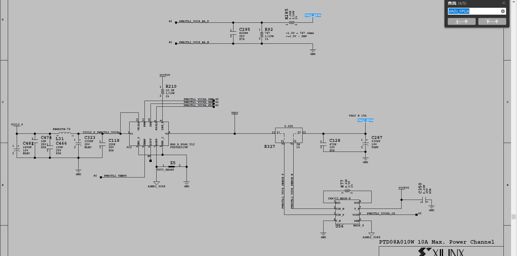
我现在在用VC707FPGA开发平台,FPGA母板里面用到了PTD08A010W这款电源芯片,它是控制着FPGA的BANK电压,默认的情况是1.8V的输出,现在我想将其改为3.3V的输出,FPGA的技术支持人员说TI可以在线帮忙解决这个问题,下图为电源芯片的电路原理图以及实物图:
This thread has been locked.
If you have a related question, please click the "Ask a related question" button in the top right corner. The newly created question will be automatically linked to this question.
各位大神,
我现在在用VC707FPGA开发平台,FPGA母板里面用到了PTD08A010W这款电源芯片,它是控制着FPGA的BANK电压,默认的情况是1.8V的输出,现在我想将其改为3.3V的输出,FPGA的技术支持人员说TI可以在线帮忙解决这个问题,下图为电源芯片的电路原理图以及实物图: