请教TI工程师,关于lmzm33602输出电容layout时放置位置的问题。
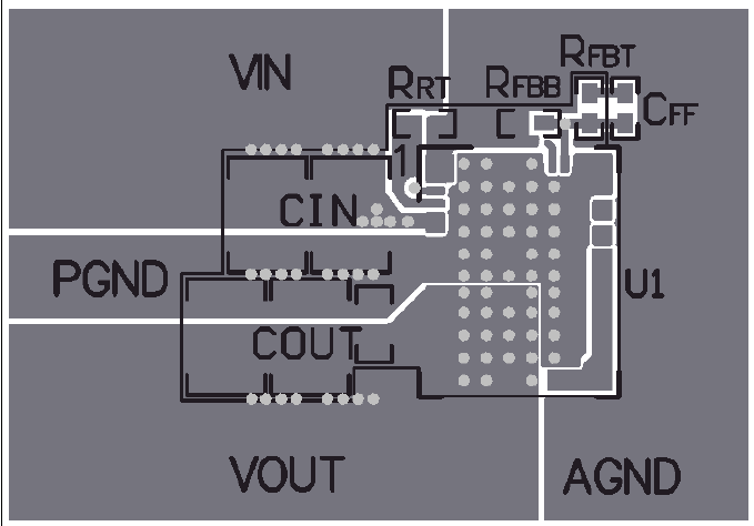
我第一次布板放置lmzm33602的输出电容,是按照如下图所示的其DATASHEET上的布置方式放置的输出电容Cout,测试输出文波中噪声符合要求,主要纹波频率也是开关频率900KHz,如下图所示:
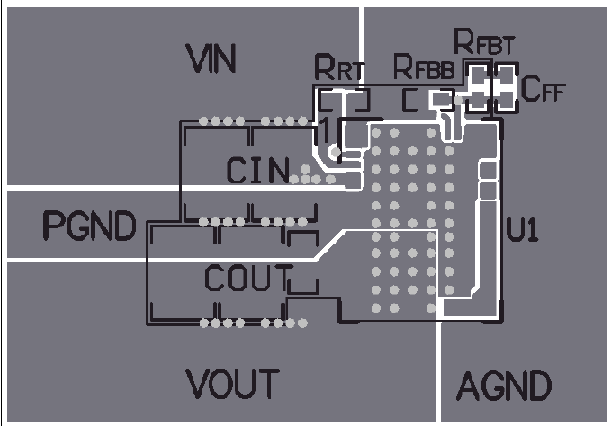
第二次布板的时候,自己自作聪明,改变了输出电容的C11-C15放置位置,如下图所示:
结果这个板子在测试的时候,输出电压纹波上的噪声非常大,空载就有将近200mV的噪声,噪声频率在5-6MHz,如下图所示:

请教TI工程师,出现上述问题是不是我输出电容放置错误位置导致的?



