This thread has been locked.

If you have a related question, please click the "Ask a related question" button in the top right corner. The newly created question will be automatically linked to this question.

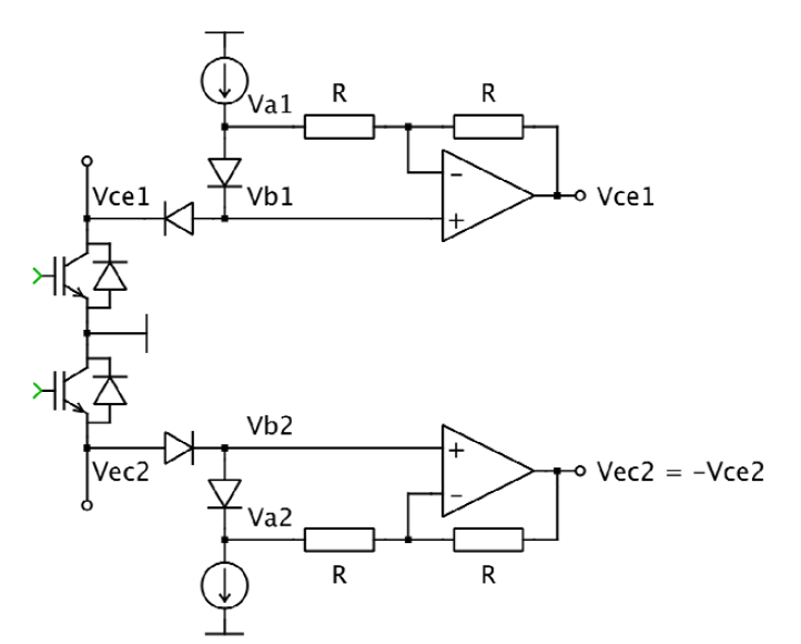
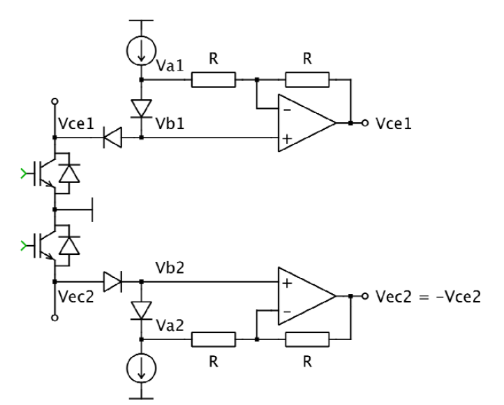
请问下桥臂那个电流源如何来设计

Other Parts Discussed in Thread: XTR110

请问下桥臂那个电流源如何来设计