This thread has been locked.

If you have a related question, please click the "Ask a related question" button in the top right corner. The newly created question will be automatically linked to this question.

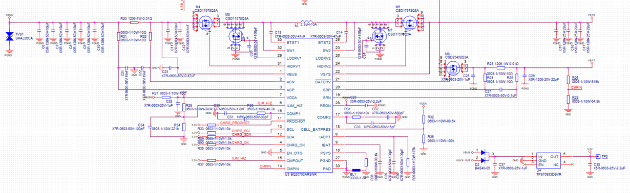
BQ25703充电电路中,MOS管 会坏

Other Parts Discussed in Thread: CSD17551Q3A, CSD17578Q3A

充电输入电源是5V,输出是12.6V给3节18650电池充电。充电过程中会出现M6这个MOS管坏的情况,理论上5V升压到12.6V,M6这个MOS是关断的,而且参数也都是满足要求的,M6应该不会坏的。M6这个MOS管型号是TI的CSD17578Q3A,官方demo设计中用的是CSD17551Q3A.请教下各位大神是什么原因啊。

  • 正在查看,稍后回复
  • 我发现有两个地方不同于参考设计。

    1)ILIM_HIZ连接到CMPOUT。 当电池达到12.6V时,电流配置允许HIZ操作,但禁用3A电流限制。 (建议将CMPOUT与ILIM_HIZ绑扎10kohm,并在CMPIN和CMPOUT之间添加2Mohm电阻以实现迟滞。)

    2)PGND和GND通过铁氧体磁珠连接。 建议使用零欧姆组件,例如网状铜走线。

    没有任何输入电流限制,M6是否有可能损坏? CSD17578与CSD17551非常相似,应该不是问题。
  • 非常感谢,我发了之后一直没人回复,就没有过来看。

    第一点的意思是在CMPOUT与ILIM_HIZ通过10k电阻连接起来,CMPIN和CMPOUT之间通过2M电阻连接起来是这么意思吧?

    第二点PGND和GND我现在去掉了,布线的时候分割开就好了。M6损坏和输入电流有没有限制应该没有关系,我5V输入M6是处于关断状态的,应该不会坏的,会不会TVS电压选的太高了,有瞬间电压没保护住。M6坏了DS短路,外观看不出来的坏了。