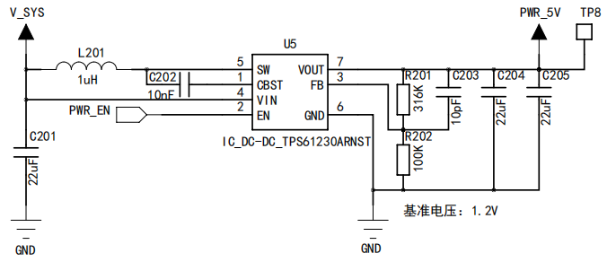
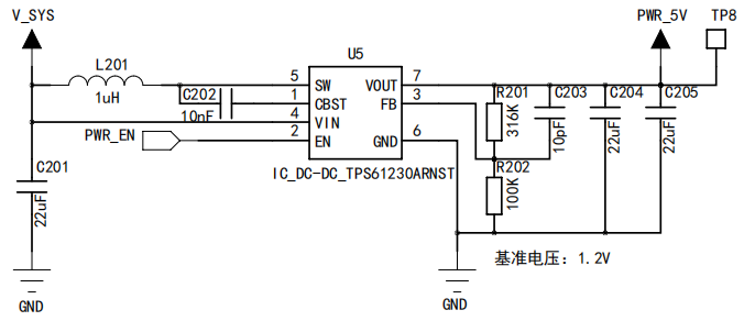
电路如图所示,V_SYS是电池电源输入端,电压在3.2V-4.2V之间。(实验时用的稳压电源,电压3.6V,限流5A。)在输出端加电子负载时,负载电流超过1.08A,输出电压被拉低,稳压电源的电压也会被拉低。请教一下负载电流不足是什么地方导致的呢?
This thread has been locked.
If you have a related question, please click the "Ask a related question" button in the top right corner. The newly created question will be automatically linked to this question.
电路如图所示,V_SYS是电池电源输入端,电压在3.2V-4.2V之间。(实验时用的稳压电源,电压3.6V,限流5A。)在输出端加电子负载时,负载电流超过1.08A,输出电压被拉低,稳压电源的电压也会被拉低。请教一下负载电流不足是什么地方导致的呢?