This thread has been locked.

If you have a related question, please click the "Ask a related question" button in the top right corner. The newly created question will be automatically linked to this question.

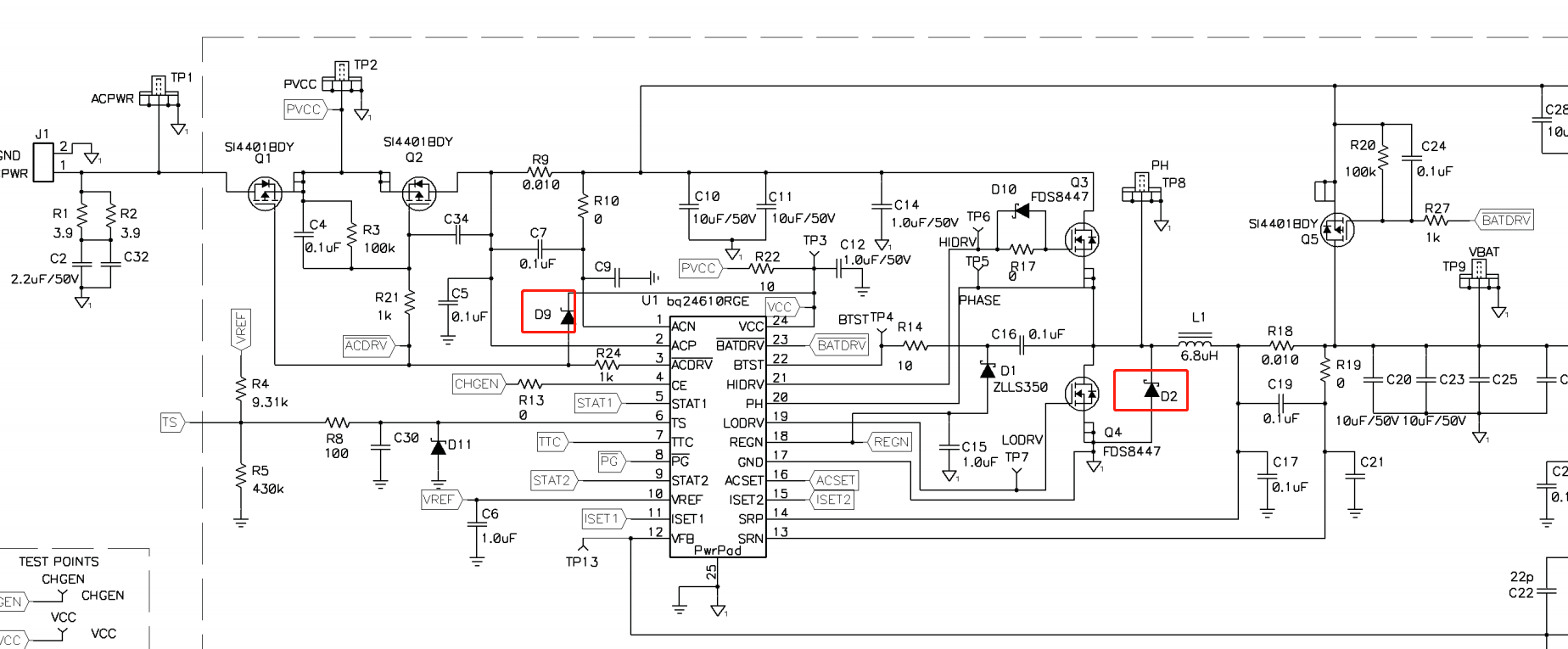
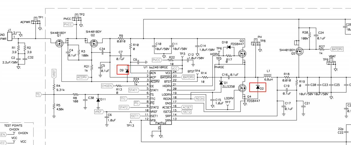
BQ24610充电电路、插电池的时候,偶尔会打火、会把充电IC打坏,按照下图电路设计的,有什么好的解决办法吗?目前的BOM是把D9没上件,难道是这个原因吗?我也正在测试

Other Parts Discussed in Thread: BQ24650, BQ24610