This thread has been locked.

If you have a related question, please click the "Ask a related question" button in the top right corner. The newly created question will be automatically linked to this question.

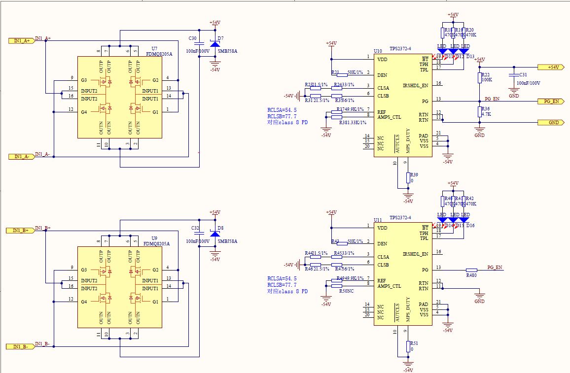
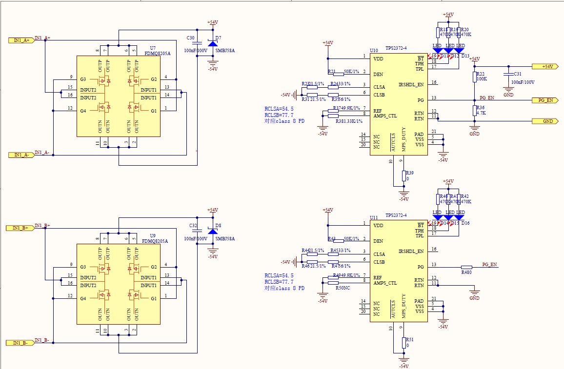
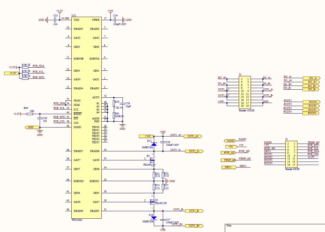
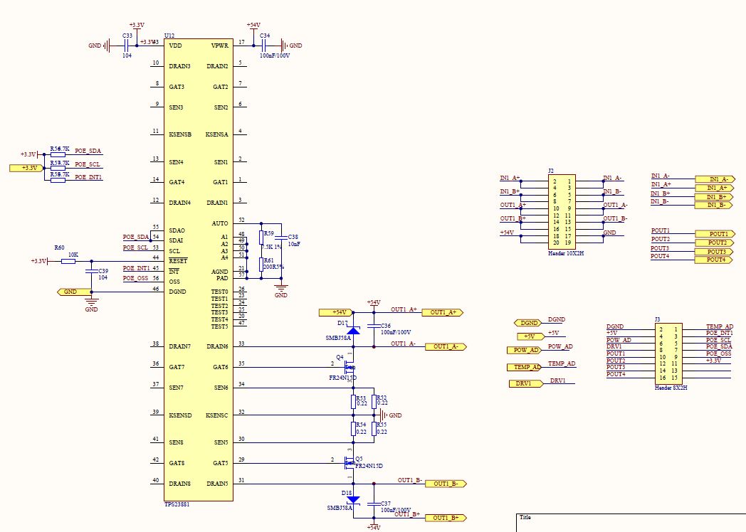
使用TPS2372-4加TPS23881组成200W的POE方案,这种方案是否可行

Other Parts Discussed in Thread: TPS23880, TPS23881

TI提供的200W POE方案是使用TPS2372-4加TPS23880,因TPS23881与TPS23880是pintopin的,且可以使用硬件直接配置供电,所以打算用TPS2372-4加TPS23881的方式,现在想确定下这种方案是不是可行的?另外图中参数的选择是否有错误,请指正,谢谢!

原理图如下,希望各位指导一下: