前级电源管理芯片是BQ25505输出范围2.2-5.5V,可调范围在1V左右,如何使该输出电压动态调节?用模拟电源芯片来做?如何选择架构?求推荐
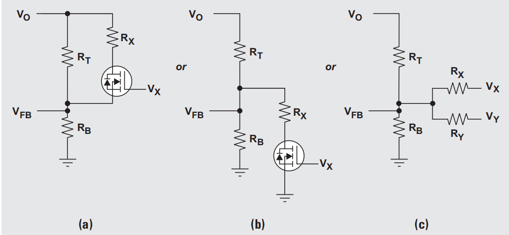
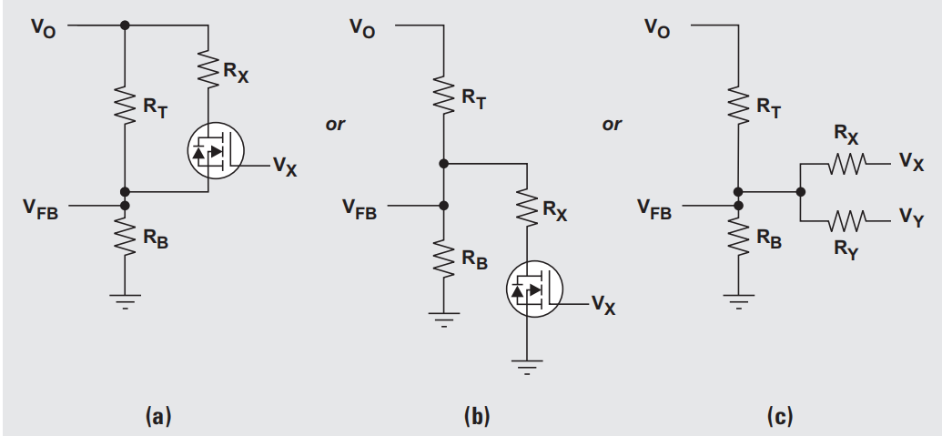
bq25505可以通过设置外部分压网络设置输出的值,BQ25505电路通过采样VRDIV为VSTOR提供基准,为VBAT_OV提供参考电压,这意味着使用芯片的两个引脚调节芯片的输出电压,了解到一般通过DAC连接第三个电阻到FB端调节输出,但是BQ25505外部分压网络这里该怎么连接DAC和电阻,如下图

This thread has been locked.
If you have a related question, please click the "Ask a related question" button in the top right corner. The newly created question will be automatically linked to this question.
前级电源管理芯片是BQ25505输出范围2.2-5.5V,可调范围在1V左右,如何使该输出电压动态调节?用模拟电源芯片来做?如何选择架构?求推荐
bq25505可以通过设置外部分压网络设置输出的值,BQ25505电路通过采样VRDIV为VSTOR提供基准,为VBAT_OV提供参考电压,这意味着使用芯片的两个引脚调节芯片的输出电压,了解到一般通过DAC连接第三个电阻到FB端调节输出,但是BQ25505外部分压网络这里该怎么连接DAC和电阻,如下图
