各位老师好:
在对小信号进行放大,或是音频放大时,电源质量无疑是至关重要的。在一些文献当中看到有用伺服电源的,请问老师,
(1)伺服电源是怎么一回事?
(2)与电池供电相比,从纹波系数,稳定性等角度考虑,谁更略胜一筹呢?
This thread has been locked.
If you have a related question, please click the "Ask a related question" button in the top right corner. The newly created question will be automatically linked to this question.
Hi,
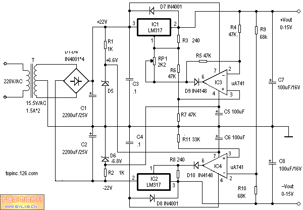
所谓的有源伺服电源就是在原有的稳压芯片之外再通过增加运放等元件构建反馈环路,以拓宽稳压器件本身内部误差放大器开环放大倍数的限制,如你的电路图所示,通过使用uA741来构建LM317、LM337(你原理图有误,负电源输出应为LM337)的反馈环路,可以提升电源的瞬态响应以及进一步降低纹波。但弊端是外加的放大器会破坏原有器件内部设计的频响曲线,在某些特定情况下更容易自激,所以输出滤波电容的选择和PCB布局布线都要仔细考量。
电池供电的好处就是理论上几乎没有纹波,没有稳定性问题,电池供电的唯一问题就是电压稳定度和负载瞬态响应差。