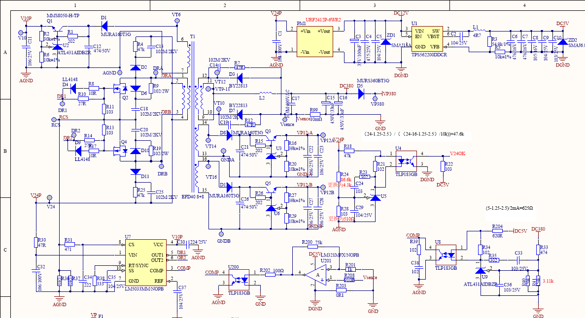
要求是24v升压到380v 输出功率不超过100w(有个过流和过压的反馈)
芯片驱动输出未连接MOS管时,comp为5.2v的电平 out1是50%的矩形波
芯片驱动输出和开关mos连接后 out1输出波形如下图
out1输出波形占空比太低 后来测量了一下其他几个管脚的波形 发现comp波形不正常、vcc波形 光耦led没有启动的情况下 comp被拉低
调了好几天了 这个问题一直没有找到原因
希望来论坛看看,希望大家帮忙分析个原因
This thread has been locked.
If you have a related question, please click the "Ask a related question" button in the top right corner. The newly created question will be automatically linked to this question.