This thread has been locked.
If you have a related question, please click the "Ask a related question" button in the top right corner. The newly created question will be automatically linked to this question.
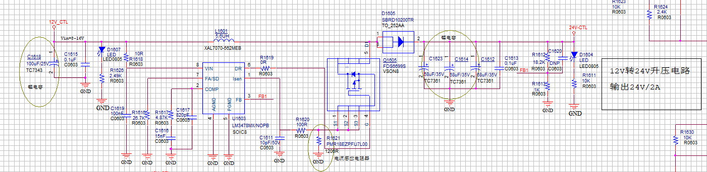
使用官方的设计软件,设计了一款输入8-16V,输出24V/2A的boost电路,实际测试发现,带24V/1A负载的时候N-MOS和LM3478温度达到120°(测试时间大约5分钟),请协助帮忙解决一下,出现该问题的原因!
附件是原理图,PCB是用的双面板设计!
MOS选择的是ON的FDS6699【(21A/30V) 4.5mΩ/Vgs=4..5V.】,PCB layout有做大面积pad做散热处理。