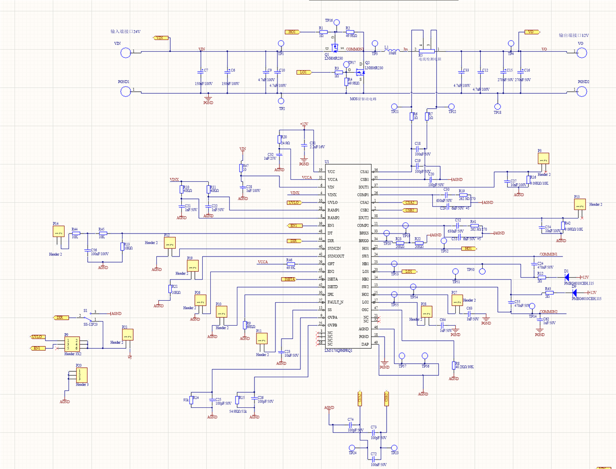
请问当我想只使用LM5170的通道一(负载小电池需要电流最多10A),通道二的主电路我想去掉,但是实际做PCB时,只有通道一主电路时,LM5170芯片HO1与LO1不工作,感觉问题出在HB2与SW2接口(HO2与LO2,CSA2与CSB2通过电容直接接地),我直接用电容来接HB2与SW2接口并提供12V,我在TINA上仿真可以运行,但是实际上实物PCB通道一是不工作的,那我应该怎么接这几个通道二的接口?
This thread has been locked.
If you have a related question, please click the "Ask a related question" button in the top right corner. The newly created question will be automatically linked to this question.
请问当我想只使用LM5170的通道一(负载小电池需要电流最多10A),通道二的主电路我想去掉,但是实际做PCB时,只有通道一主电路时,LM5170芯片HO1与LO1不工作,感觉问题出在HB2与SW2接口(HO2与LO2,CSA2与CSB2通过电容直接接地),我直接用电容来接HB2与SW2接口并提供12V,我在TINA上仿真可以运行,但是实际上实物PCB通道一是不工作的,那我应该怎么接这几个通道二的接口?
您好,
请问可以推荐一款类似LM5170的双向DCDC小功率(24V-12V,60W),单通道给电池充放电的控制芯片吗,最好应用的主电路拓扑用的是LM5170的半桥模式,
谢谢