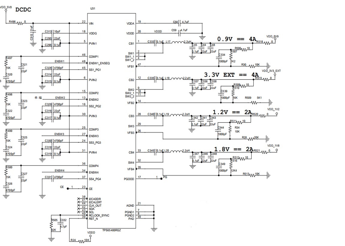
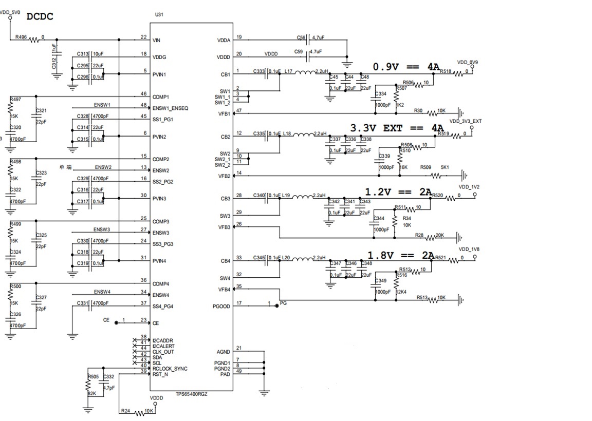
电路设计中没有采用I2C控制TPS65400,所有I2C相关引脚悬空。
1.电路设计采用外部EN控制各路电源输出,但外部1.8V IO无法控制EN输出。
2.当将EN控制的IO断开,保证所有EN悬空的时候,有输出电压,但是量到ENSW1和ENSW4的引脚为低电平,ENSW3为1.4V,ENSW2为1.36V。为啥ENSW为悬空时,引脚是低电平,还有输出电压?
3.我们需要用外部IO来控制EN引脚输出电压,在不用I2C的前提下,默认各路输出电压是否有时序顺序。
4.在不用I2C的前提下,用外部IO控制EN输出电压该如何设计。
