This thread has been locked.

If you have a related question, please click the "Ask a related question" button in the top right corner. The newly created question will be automatically linked to this question.

BQ500210EVM-689中关于MSP430的问题

Other Parts Discussed in Thread: BQ500210, MSP430G2001

TI:你好!

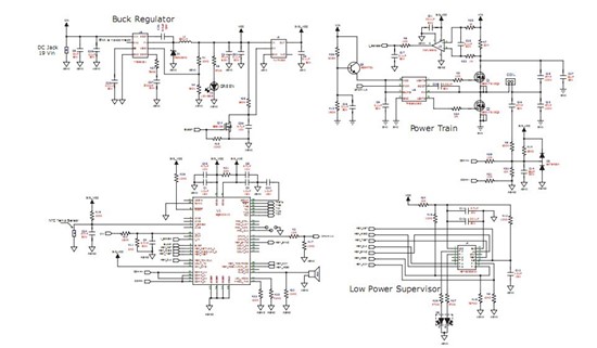
最近在接触开发无线充电这方面,查看了TI公司的无线充电芯片BQ500210与BQ51013。对于BQ500210资料中,发现对于TX端的设计,有两种设计方案:一种是含有MSP430G2001芯片作为逻辑控制芯片,TI开发的BQ500210EVM-689PCB板属于这一类,如图1;另一种是不含MSP430G2001,直接将将状态指示灯D5接入BQ500210的7、8脚,如图2。问题:MSP430G2001在无线充电TX端设计中是否是必须的?有与没有MSP430G2001有什么区别,对系统功能是否存在影响等?如果在BQ500210EVM-689原理图中去除MSP430G2001芯片,将状态指示灯D5接入BQ500210的7、8脚,其他不变,是否可行?请指教,谢谢!

图1

图2

BQ500210EVM-689.pdf
  • 你好:

    MSP430G2001在无线充电TX端设计中不是必须的。MSP430G2001的作用是提供额外的存储空间及逻辑控制,以实现一些高级的控制,比如:transmitter在standby的情况下,降低其功耗。如果出于降低transmitter的成本的考虑,可以去掉MSP430G2001。对于实现wireless power是没有影响的。详细说明请参考BQ500210 datasheet的第15页。