Hi Ti专家们,
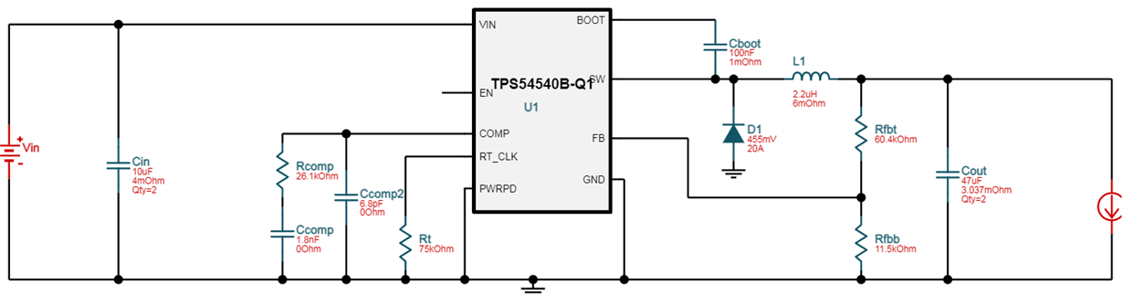
使用TPS54540BDDA作为Buck电源,输入12V~24V,输出5V,最大电流4A;
测试发现在12V输入时,5V输出在负载端电流从2.5A左右增加的过程中出现限流或其他保护动作导致输出电压5V出现短暂的下降,而且电流始终上不去,导致后端FPGA加载不成功,如果把输入电压抬升到15V以上就没有问题,
从器件选型上,功率电感、肖特基二极管参数都可以满足最大输出5A,
按照WEBENCH调整小信号补偿环路参数,同样没有任何改善;
请提供帮助和指导,谢谢。
This thread has been locked.
If you have a related question, please click the "Ask a related question" button in the top right corner. The newly created question will be automatically linked to this question.
Hi Ti专家们,
使用TPS54540BDDA作为Buck电源,输入12V~24V,输出5V,最大电流4A;
测试发现在12V输入时,5V输出在负载端电流从2.5A左右增加的过程中出现限流或其他保护动作导致输出电压5V出现短暂的下降,而且电流始终上不去,导致后端FPGA加载不成功,如果把输入电压抬升到15V以上就没有问题,
从器件选型上,功率电感、肖特基二极管参数都可以满足最大输出5A,
按照WEBENCH调整小信号补偿环路参数,同样没有任何改善;
请提供帮助和指导,谢谢。