This thread has been locked.

If you have a related question, please click the "Ask a related question" button in the top right corner. The newly created question will be automatically linked to this question.

Flyback Ids电流尖刺的处理

Other Parts Discussed in Thread: UCC28600

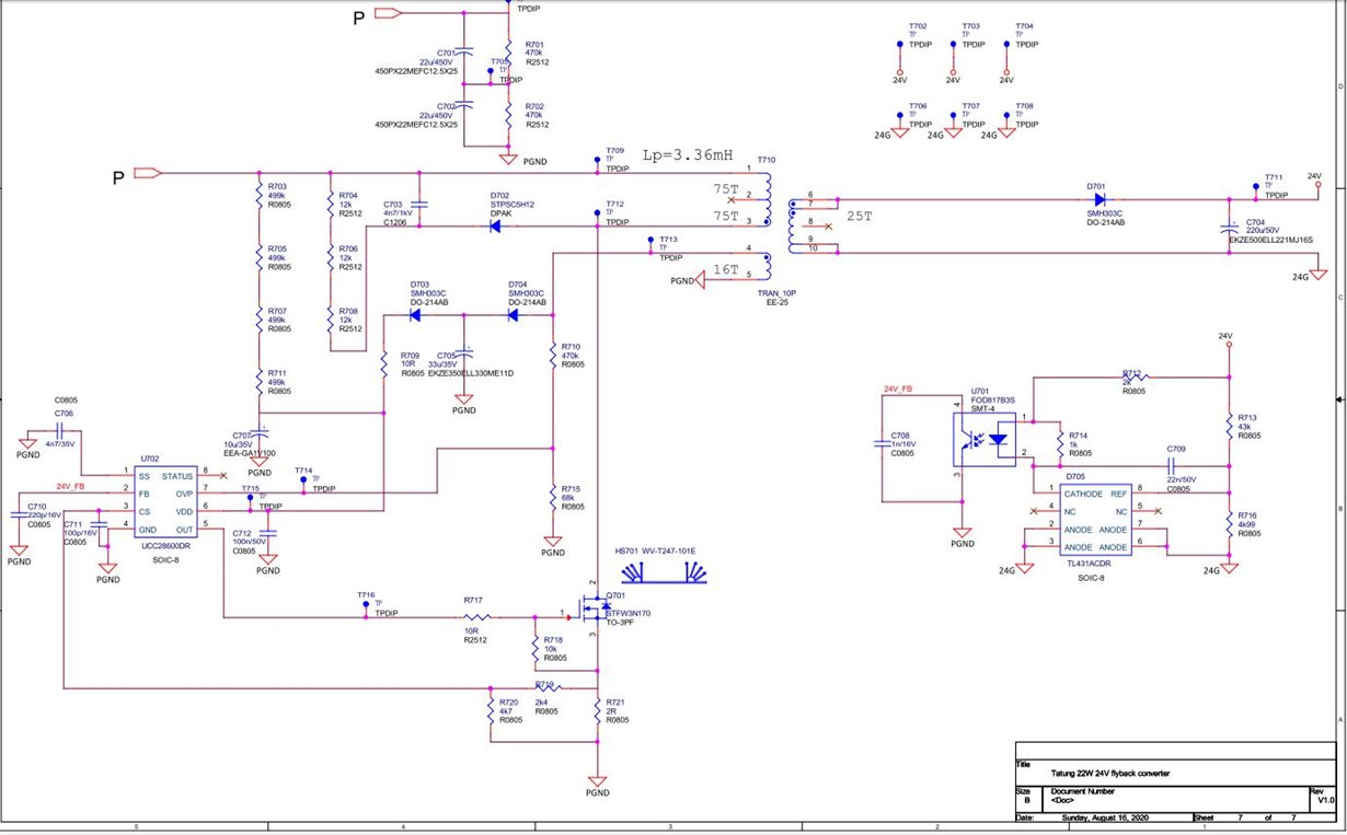
我flyback电路用的PWM IC是UCC28600,规格中的输入电源很宽(200~700Vdc),

目前的测试结果:在250V/半载下可工作,如果将电源由250V往上拉,到300多V时,或是负载加大,就会让UCC28600重置,出现打嗝现象,调小电压或降载就会恢复回来,又再次工作(因为所加电压和负载均在规格之内,我怀疑是因Ids电流尖刺所造成,见我第三个问题)

可工作时的波形如下(由上而下分别是MOSFET的Vgs电压、Ids电流,变压器提供UCC28600电源绕组的电压波型以及MOSFET的Vds电压

其中有三个疑问(分协以三个标号红圈圈起)

1.电源绕组的电压波型和Vds电压波型,在运作起来的第一个PWM中,怎会有缺角的感觉,这是我过去所没有碰过的

2. 以前在二次侧放完电流,一次侧由变压器电感与MOSFET的Coss形成的震荡,其震幅会慢慢减小,但我这次的电路似乎不会

可能的原因会是什么?

3. 这也是我主要想问的问题。我知道Ids上会有电流尖刺,过去也没有我其他电路造成问题,但对我现在设计的电路,这电流尖刺似乎会被UCC28600误判为过载而无法启动或运作。请问在不改变变压器的情况下,有无其他可能节决该问题的方案可以建议?如果要变动变压器,请问有无绕制的建议?