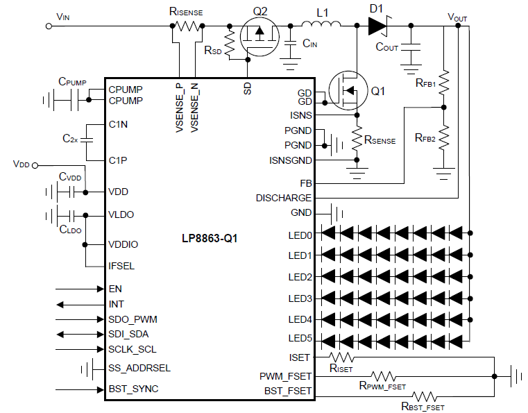
LP8863-Q1 GD管脚,对于参考设计Rsense阻值为0.02欧姆,MOS管Q1导通后通过MOS管的电流不会烧坏MOS吗?(比如输入24V,电流I=24/0.02)
This thread has been locked.
If you have a related question, please click the "Ask a related question" button in the top right corner. The newly created question will be automatically linked to this question.
LP8863-Q1 GD管脚,对于参考设计Rsense阻值为0.02欧姆,MOS管Q1导通后通过MOS管的电流不会烧坏MOS吗?(比如输入24V,电流I=24/0.02)