This thread has been locked.

If you have a related question, please click the "Ask a related question" button in the top right corner. The newly created question will be automatically linked to this question.

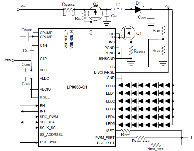
LP8863-Q1



管脚GD无输出,一般是什么原因会导致GD无输出?