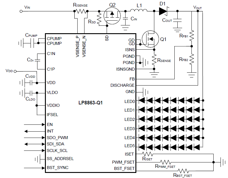
上电后,EN使能,PWM输入,C1N、C1P管脚电压跳动,GD管脚电压跳动,电压无升压,是什么原因?器件的参数都是参考开发板的,焊接也没有问题。
This thread has been locked.
If you have a related question, please click the "Ask a related question" button in the top right corner. The newly created question will be automatically linked to this question.