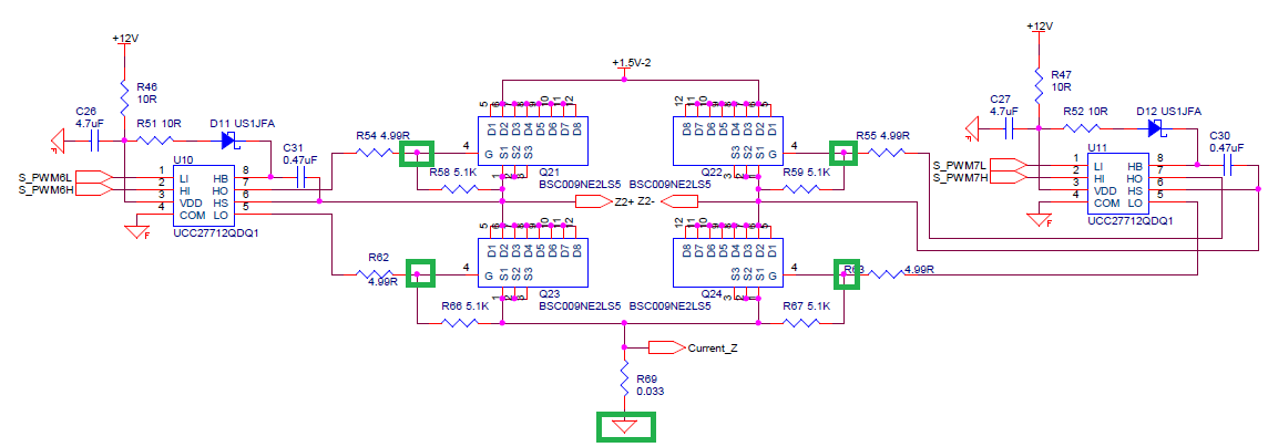
您好,
使用UCC27712來做馬達H橋控制,
目前單一方向運轉正常,反向運轉異常,
整體波形也覺得異常,
相關資料與原理圖如下,還請協助給予改善建議,感謝!
當U11的LI給0V、HI給3.3VPWM 與 U10的LI給3.3VPWM、HI給0V,
工作狀態:Q21、Q24不導通、Q22、Q23導通
其中Q21左上臂的VG有約2點多V的電壓,覺得異常,理論上此點不應該有電壓
馬達可以正常運轉,相關VG對GND的波形如下
當U11的LI給3.3VPWM、HI給0V 與 U10的LI給0V、HI給3.3VPWM,
工作狀態:Q22、Q23不導通、Q21、Q24導通
其中Q21左上臂的VG沒有對應的導通電壓波形產生,覺得異常,理論上此點應該有電壓
馬達可以無法運轉,相關VG對GND的波形如下








