This thread has been locked.

If you have a related question, please click the "Ask a related question" button in the top right corner. The newly created question will be automatically linked to this question.

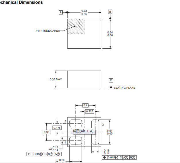
CSD15380F3 1脚在哪

Other Parts Discussed in Thread: CSD15380F3

CSD15380F3   1脚到底在哪  封装到底如何画

下图是datasheet的

下面这个是从官网CADCAE Symbols导出的封装:

请确认哪个才是1脚

  • Hi
    其次这些图都是一直的,第一个图是从芯片面看过去,所以第一个脚是在上面,这个和第三个是一直的。 第二个的视角是从芯片脚这边看过去的,所以是反过来的,而在图的下方是有PIN脚定义的。