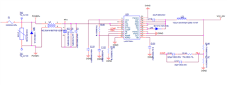
DCDC 电源芯片使用的是LM5576 输入电压为16节锂电池,即输入电压范围为40-60VDC ,输出电压为24V 1A 。
目前出货了大概800套左右,在使用过程中,出现了4 PCS LM5576不工作的现象,即输出电压为0V。经测试分析发现 LM5576 不能工作的原因为LM5576的IS SW两引脚已出现短路。发现板子上其它元件,保险丝、TVS管、压敏电阻及其它元件都没有损坏,只是坏了芯片LM5576,更换LM5576后,板子能够正常工作。压敏电阻规格为:10D101K。请帮忙分析看看大概是什么原因导致芯片的IS SW两引脚短路。
原理图如下:
