This thread has been locked.

If you have a related question, please click the "Ask a related question" button in the top right corner. The newly created question will be automatically linked to this question.

TPS23861: TPS23861外围元件

Part Number: TPS23861


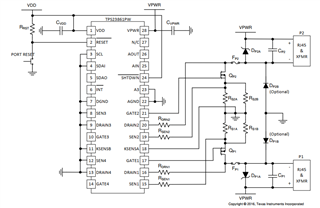
                                                                                                                                                                                                                                               您好,参考TPS23861手册,对于 DRAINn管脚的描述中,有说到用47欧姆电阻进行连接,观看TPS23861的参考设计,在DRAINn管脚串接47欧姆电阻后,再接入保险丝,对于这个保险丝的作用,想问下原厂那边设计的初衷是什么,个人理解是否可以去掉?