Part Number: LM25085
你好!
在调试过程中出现LM25085芯片损坏问题:
一、问题描述:
使用LM25085MY/NOPB芯片做5-30V调压输出,在未接负载,正常使用情况下,出现多个芯片同时出现损坏。请问是什么原因可能会导致芯片损坏?
二、损坏情况:
芯片损坏时温度达60度,且无电压输出或输出电压等于输入电压。用示波器测得芯片PGATE引脚持续高电平或低电平。更换芯片后,工作正常。
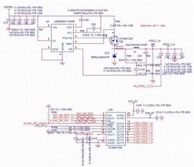
三:硬件设计电路:

|
位号 |
型号 |
参数 |
品牌 |
|
Q8 |
NTGS5120P |
Vdss=-60V Id=-2.9A Rds(on)=142mΩ VGS(th)=-1.0V(MIN)or -3.0V(MAX) |
ON |
|
L5 |
CMLW4030S101MST |
100uH±20%,0.6A,DCR=1.15 |
CYBERMAX |
|
D15 |
RBR2LAM40ATR |
VRRM=40V IF(av)=2.0A VF=0.55V |
ROHM |
四、设计需求:
- 输入电压范围:30-36V
- 输出电压范围:5-30V
- 输出电流:<500MA
- 开关频率:648KHZ
- 电源纹波:<200MV
五、测试条件:
- 输入电压:30V
- 输入电流:220MA
- 输出电压:25V
- 环境温度:27度
- 芯片温度:40度
- 挂机测试时间:2h
- 使用芯片数量:32pcs
