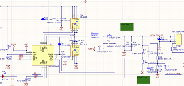
电路参考官方设计,电池设定电压为17.6V,接入电池瞬间导致下MOS及BQ24600芯片损坏,测量波形大概原因为插入电池瞬间,电流经过电感给电容充电,然后导致电压过高所致。请问一下,如何修改电路比较合适

This thread has been locked.
If you have a related question, please click the "Ask a related question" button in the top right corner. The newly created question will be automatically linked to this question.
电路参考官方设计,电池设定电压为17.6V,接入电池瞬间导致下MOS及BQ24600芯片损坏,测量波形大概原因为插入电池瞬间,电流经过电感给电容充电,然后导致电压过高所致。请问一下,如何修改电路比较合适
