Part Number: TPS23753

请求解答该问题可能的原因。
This thread has been locked.
If you have a related question, please click the "Ask a related question" button in the top right corner. The newly created question will be automatically linked to this question.
Hi
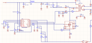
POE供电异常,但是外接48V可以正常启动?
如果是这样可能是POE侦测异常,首先确认负载带载正常。再确认输入侦测部分,0.1uF和TVS管需要放到前面,再才是侦测电路,注意TVS管D1是必须要的。