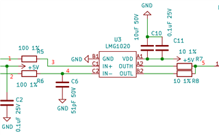
LMG1020图形如下图所示,1、2标号输入信号相同,但是5脚位置输出两种不同的波形,输出的幅值和脉冲宽度都略有差别,如图1和图2 的差别,这样影响激光的输出。想请教这是什么原因?
电路的3和4位置没差别。


图1

图2
This thread has been locked.
If you have a related question, please click the "Ask a related question" button in the top right corner. The newly created question will be automatically linked to this question.