This thread has been locked.

If you have a related question, please click the "Ask a related question" button in the top right corner. The newly created question will be automatically linked to this question.

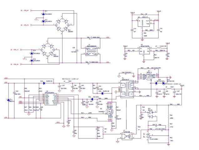
TPS23753A: ti参考设计周边的Q1同步整流MOSFET管经常被击穿

Part Number: TPS23753A

 附件电路使用了TI参考设计,Q1经常被击穿,在测试T2波形11,12脚波形会超过30V, 但是IRF8113(参考设计推荐)手册中介绍这个MOSFET管最大电压是30V, 在同步整流MOSFET(Q1)关闭时,它的漏极(D)有一个瞬间30V的尖波,且每个开关周期都会存在。