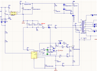
1、原理图:
波形:MOSFET-D
波形:UCC28630 - VDD
波形:UCC28630 - CS
可以看出,DRV给出三个PULSE后不再有输出了,不清楚什么原因。请帮忙解答,谢谢!
This thread has been locked.
If you have a related question, please click the "Ask a related question" button in the top right corner. The newly created question will be automatically linked to this question.
Hi
如果不是工厂定制,而是自己绕的,一定要做相关测试。
这个电路设计也主要就是变压器设计,一般有问题都是变压器引起的。