This thread has been locked.

If you have a related question, please click the "Ask a related question" button in the top right corner. The newly created question will be automatically linked to this question.

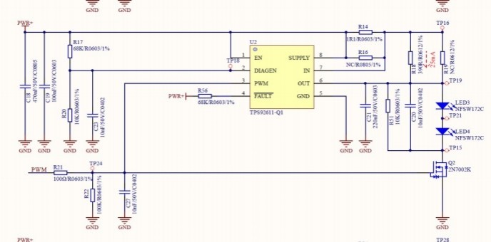
TPS92611-Q1: 应用咨询

Part Number: TPS92611-Q1


Hi Sirs,

我的客戶使用的tps92611,有應用問題如下:

  1. fault这个pin ,我司电路如下,因为我司并没有用one fail all fail, 所以,我司并不需要连接fault pin ,但是考虑到,fault pin 内部是强pull low,pull high, 所以我司在外部上件了一个R56 68k 电阻pull high to PWR(9-16V,),

请问,如何精准的结合内部电路架构,计算R56的电流值,或者说,内部pull high, pull low的阻值多少?能否大概画下内部的等效线路?

当发生led short时, FAULT 被在内部直接pull down  ,这个时候,我外加的这个电阻R56 ,加上内部的PULL HIGH, PULL LOW, 这个时候如何计算外部电阻的电流?

当没有发生led short时,fault 外部有R56,这个时候的电流结合内部的pull high ,pull low,如何计算R56的电流?

  1. diagen这个pin , 我司外部有两个电阻R17 R20, 实际中R20并未上件, (主要考虑到,我司并没有去用one fail all fail, 整个线路中,我司用了5tps92611,但是,fault pin并未连接在一起 , )

请问diagen 这个pin,当有pull high R17 to PWR(9-16V), 它作为input, 内部阻抗是否无穷大, 还是内部会有sink电流, 我司主要想计算R17上的功耗, 谢谢!

  • Hi

         Fault芯片内部上拉,并非简单的电阻,而是电流源,无法具体为或者说简易为电阻。

         设计时,需参考数据表的规格门槛值来做。

         diagen设计时,如果是简答的拉高(通过电阻到输入,而不是分压监控),只需要考虑门槛电压,不考虑电路(或者可以认为阻抗无穷点大电流无穷小)