Part Number: TPS51621
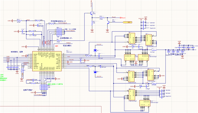
使用TPS51621,输入电压12V,输出电压1V/25A,两路并联使用,使输出总电流再1V/50A,按照TI提供的电源设计参考,但是使用过程中出现输入12v短路的现象,测量发现MOS管短路了。麻烦问一下什么原因会导致MOS管被烧坏!

This thread has been locked.
If you have a related question, please click the "Ask a related question" button in the top right corner. The newly created question will be automatically linked to this question.
Hi
高低边的MOS都击穿? 有正常的板子吗?
有没有测试过驱动波形? 功率电感饱和电流选择多少?