Hi Ti 工程师,
我公司目前在适用LP8860-Q1这颗芯片用于做Lightbar,
整条lightbar分为四路,ledk1(短路的pin25)对应的一路灯条刚好是烧毁的一路。
说明四条led分支是四条不干涉的回路,而其中一路短路并不会引起主板的过压保护。
所以芯片故障,会导致这一支路短路,产生持续的大电流将发光二极管击穿。
目前已做ABA交叉验证,烧毁灯条问题随芯片出现证明是由芯片短路导致背光不亮
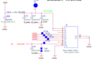
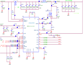
下图是layout,请帮忙分析目前的问题出在哪里?
This thread has been locked.
If you have a related question, please click the "Ask a related question" button in the top right corner. The newly created question will be automatically linked to this question.
Hi Ti 工程师,
我公司目前在适用LP8860-Q1这颗芯片用于做Lightbar,
整条lightbar分为四路,ledk1(短路的pin25)对应的一路灯条刚好是烧毁的一路。
说明四条led分支是四条不干涉的回路,而其中一路短路并不会引起主板的过压保护。
所以芯片故障,会导致这一支路短路,产生持续的大电流将发光二极管击穿。
目前已做ABA交叉验证,烧毁灯条问题随芯片出现证明是由芯片短路导致背光不亮
下图是layout,请帮忙分析目前的问题出在哪里?
Hi
也就是LP8860损坏,请问能判定LP8860哪个脚损坏吗?或者能确认LP8860的具体故障是什么?
Hi
测量LP886的对地阻抗,发现Pin25 与地的对地阻抗为0,与地短接,而正常的对地阻抗是1.5MΩ,故判定芯片损坏;
请根据电路帮忙分析,谢谢!