Part Number: LM73605
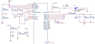
调试LM73605功能,输入12V,想要输出5v,上电一测,输出依然是12V,SW的开关频率是170-190khz。我看手册最小都是350khz。请问这个是什么问题导致?
我将RT悬空,按照手册接115k,39.1k,开关频率都没有变化。
请专家指导下,把把脉,
This thread has been locked.
If you have a related question, please click the "Ask a related question" button in the top right corner. The newly created question will be automatically linked to this question.
Part Number: LM73605
调试LM73605功能,输入12V,想要输出5v,上电一测,输出依然是12V,SW的开关频率是170-190khz。我看手册最小都是350khz。请问这个是什么问题导致?
我将RT悬空,按照手册接115k,39.1k,开关频率都没有变化。
请专家指导下,把把脉,
Hi
输入12V, 即便duty100% 输出电压也低于12V,除非击穿。如果阻抗测试并没有击穿(高边MOS), 就需要确认反馈,看是否有断路之类的异常,因为芯片收不到反馈,duty就会开到最大。
开关频率异常,除了芯片损坏之外,就是电流限制导致的异常。