This thread has been locked.

If you have a related question, please click the "Ask a related question" button in the top right corner. The newly created question will be automatically linked to this question.

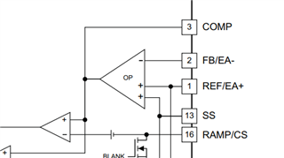
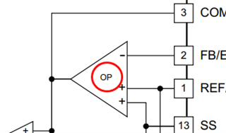
UCC28250: 反馈运放的输入失调电流

Part Number: UCC28250


输出反馈使用的运算放大器的输入偏置电流和输出失调电流各是多少?Ucc28250 datasheet 里面没有。