您好,
当前TMDS273GPEVM板上电源芯片使用的O31314QRWGRQ1,官网和其他地方暂未查到此款电源芯片,请问此芯片有其他方案可替换吗,有没有官方推荐的其他PMIC方案可用呢,谢谢。
This thread has been locked.
If you have a related question, please click the "Ask a related question" button in the top right corner. The newly created question will be automatically linked to this question.
HI
如果是确认是TI的芯片,而官网上查不到,很可能是客户定制(或者不是TI的芯片)。
官网没有提供这个芯片的PWIC方案,建议你参考评估版电源方案: www.ti.com.cn/.../spruiy1.pdf
您好,
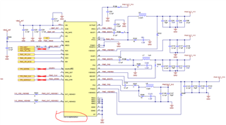
这个就是这个评估版原理图上的电源方案,如下附件及截图1,开发板上用的应该不是定制的吧,还有BOM如下第二个图,麻烦再帮忙看下此电源方案是否可采购到,不行的话针对此开发板有没有其他可用的电源方案替换呢,麻烦可以推荐下,感谢。


HI
应该是定制型号,因为O31314不符合TI芯片名称定义, 所以我们无法在官网查询到这个芯片的相关信息。
并且不能用O31310替代,PMIC都是支持固定的处理器,即便是同芯片系列,也会有较大的差异,例如默认配置,时序控制等。
Hi
应该有对应的芯片TPS前缀的,但是我们查询不到,你可以在美国E2E上问一下: https://e2e.ti.com/ 而且定制的产品不一定能买到的。