Part Number: LM5106
Other Parts Discussed in Thread: TL594
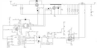
最近在做可调电源用的是TL594+LM5106,发现LM5106很容易损坏,不知道啥原因,损坏现象就是HO波形异常。

This thread has been locked.
If you have a related question, please click the "Ask a related question" button in the top right corner. The newly created question will be automatically linked to this question.