This thread has been locked.

If you have a related question, please click the "Ask a related question" button in the top right corner. The newly created question will be automatically linked to this question.

LP8860-Q1: 更换型号问题

Part Number: LP8860-Q1

您好,目前项目使用的是LP8860AQ1来驱动背光电路,PWM模式调光,已经能正常输出电压。

现在想从LP8860AQ1更换为LP8860NQ1,PWM模式调光,但无电压输出。

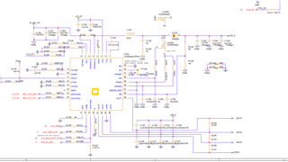
LP8860AQ1外围电路如下:

LP8860NQ1读取寄存器值如下:

Addr 0x60:0xff 
Addr 0x61:0xff 
Addr 0x62:0xdc 
Addr 0x63:0xf4 
Addr 0x64:0x5f 
Addr 0x65:0xfb 
Addr 0x66:0xf3 
Addr 0x67:0x77 
Addr 0x68:0x77 
Addr 0x69:0x70 
Addr 0x6a:0x3f 
Addr 0x6b:0x00 
Addr 0x6c:0xca 
Addr 0x6d:0xd0 
Addr 0x6e:0xb0 
Addr 0x6f:0x87 
Addr 0x70:0xcf 
Addr 0x71:0xa7 
Addr 0x72:0xe5 
Addr 0x73:0xe4 
Addr 0x74:0x35 
Addr 0x75:0xae 
Addr 0x76:0x52 
Addr 0x77:0xff 
Addr 0x78:0x3e 
Addr 0x00:0x00 
Addr 0x01:0x00 
Addr 0x02:0x0f 
Addr 0x03:0xff 
Addr 0x04:0x00 
Addr 0x05:0x00 
Addr 0x06:0x00 
Addr 0x07:0x00 
Addr 0x08:0x00 
Addr 0x09:0x00 
Addr 0x0a:0x00 
Addr 0x0b:0x00 
Addr 0x0c:0x00 
Addr 0x0d:0x7c 
Addr 0x0e:0x08 
Addr 0x0f:0x01 
Addr 0x10:0x00 
Addr 0x11:0x00 
Addr 0x12:0x10 
Addr 0x13:0x04 
Addr 0x14:0x8a 
Addr 0x15:0x0f 
Addr 0x16:0xff 
Addr 0x17:0x00 
Addr 0x18:0x00 
Addr 0x19:0x80 
Addr 0x1a:0x00 

请问更换为LP8860NQ1外围电路是否需要更改?需要怎么更改呢?以及软件上需要做什么配置才能输出电压?

谢谢