Other Parts Discussed in Thread: PMP22075
各位前辈、专家好,我在采用LM5026芯片按照其12V/5A的设计案例【文件代号:PMP22075,链接地址:PMP22075 参考设计 | 德州仪器 TI.com.cn 】进行试验时,遇到问题如下:
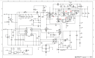
首先,原理图如图1所示,芯片采用LM5026,正激自驱同步整流方案
因加同步整流异常,将MOS管G极均接地,验证同步整流驱动时序是否正常:
1、轻载(Io≤1A)时,同步整流驱动信号A2、B2如图2所示;随负载增加(Io≥2A)时,同步整流时序如图3所示;(时序应正常,但蓝色驱动上升太慢)
2、将同步整流驱动接至MOS管,其空载输入电流异常,约有0.8A,但带2A载正常,驱动信号同图4,但驱动上有震荡;
3、图5为非同步整流断续时次级变压波形,应无异常。
求助:1、空载及轻载时同步整流波形时序异常的原因及解决方法;2、带载时驱动异常震荡的原因。谢谢了
另:想请问自驱同步整流时会强制连续吗?谢谢各位前辈专家
图1:LM5026SCH
图2:驱动波形1-非同步整流轻载
图3:驱动波形2-非同步整流2A载
图4:驱动波形3-同步整流2A载
图5:普通整流时次级变压器波形



您好,我现在觉得是这第二个谐振状态下异常(阴影区),尝试调试了死区时间和谐振电容,但没有改善,请问还有哪里我没考虑到的问题吗?谢谢