hi Ti专家们,
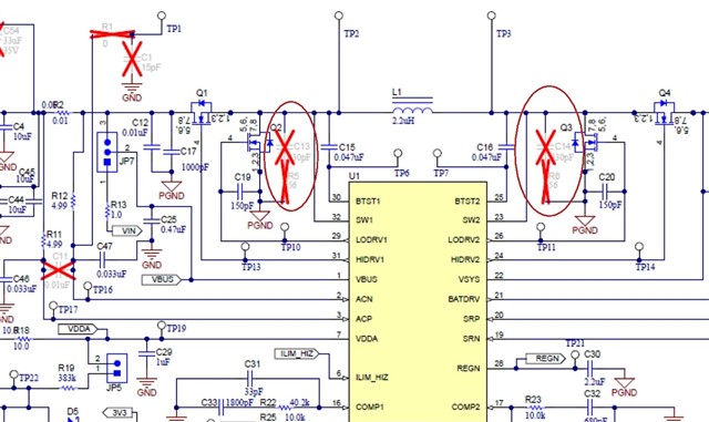
BQ25713B原理图里面的C13+R5,C14+R6,R5和R6的最小值和C13和C14的最大值是多少?辐射测试的时候,这两个位置的能量很高,需要抑制一下。

This thread has been locked.
If you have a related question, please click the "Ask a related question" button in the top right corner. The newly created question will be automatically linked to this question.
您好我们已收到您的问题并升级到英文论坛,链接如下,请持续关注: