This thread has been locked.

If you have a related question, please click the "Ask a related question" button in the top right corner. The newly created question will be automatically linked to this question.

LM46001: LM4600 change to LM46001 risk assessment

Part Number: LM46001
Other Parts Discussed in Thread: LM46000

Hi Sir 

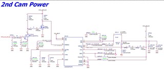
We had a project that initially used the LM4600 in the power supply section but wanted to use the LM46001 instead. Is there a risk if using the original inductance value works?
Our line is set to
Input voltage: 7.5V~16V
Volts: 5.17V
IO: 0.5A (max)
F: 2.2MHz
L: MDT select 10uH
C: Follow the application circuit in TI SPEC
If there are any issues with this design, please assist with the evaluation and provide Bode plots for system stability evaluation.

The following circuit diagram

Thanks