Other Parts Discussed in Thread: LM25141
Hi ,
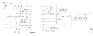
新改的电路如下,请帮忙review. 同时附上之前的带负载输出异常的issue:

issue 和修改前的电路如下:(问题未解决,按照开发板的要求CS加RS和VCCX悬空)
LM25141带负载10mA, 输出关掉和启动缓慢的现象.
异常现象描述如下:
上电时输出电压缓慢上升到3.3V,持续时间超过10s,
当负载电流>=10m A时,输出电压瞬时跌落。
我测试了如下几个case
1,OSC拉低和拉5V
2,Current sense有启用和未启用(5mR 直接短路,CS和VOUT悬空)
3,VCCX拉低和连接Vout和5V
1. 电路如下:

2.测试数据如下:
| 
 LM25141  | 
 definition  | 
 request  | 
 test  | 
| 
 1  | 
 DEMB  | 
 5  | 
|
| 
 2  | 
 VDDA  | 
 5  | 
|
| 
 3  | 
 AGND  | 
 0  | 
|
| 
 4  | 
 RT  | 
 1.25  | 
|
| 
 5  | 
 DITH  | 
 5  | 
|
| 
 6  | 
 OSC  | 
 0  | 
|
| 
 7  | 
 LOL  | 
 abnormal  | 
|
| 
 8  | 
 LO  | 
 abnormal  | 
|
| 
 9  | 
 PGND  | 
 0  | 
|
| 
 10  | 
 VCC  | 
 5  | 
|
| 
 11  | 
 HB  | 
 abnormal  | 
|
| 
 12  | 
 SW  | 
 abnormal  | 
|
| 
 13  | 
 HO  | 
 abnormal  | 
|
| 
 14  | 
 HOL  | 
 abnormal  | 
|
| 
 15  | 
 VIN  | 
 12  | 
|
| 
 16  | 
 VCCX  | 
 0  | 
|
| 
 17  | 
 VOUT  | 
 unused  | 
|
| 
 18  | 
 CS  | 
 unused  | 
|
| 
 19  | 
 FB  | 
 5  | 
|
| 
 20  | 
 COMP  | 
||
| 
 21  | 
 PG  | 
 0  | 
|
| 
 22  | 
 SS  | 
 0  | 
|
| 
 23  | 
 EN  | 
 3.3  | 
|
| 
 24  | 
 RES  | 
3.异常波形如下:

4.仿真数据和波特图:


linfusai
15658680098
fusai.lin@thundersoft.com