Other Parts Discussed in Thread: UC3823
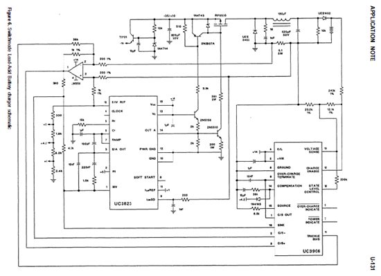
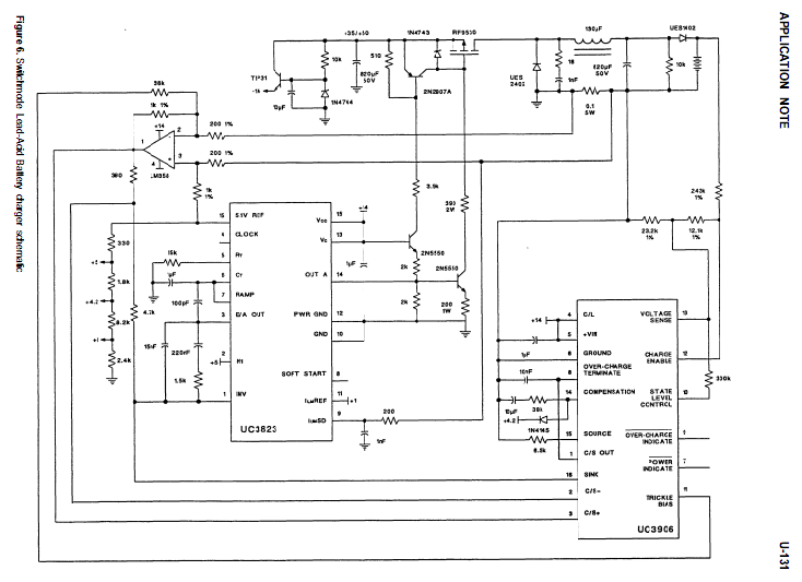
小弟最近使用TI的UC3823设计了一款300KHz的BUCK电源。经实验测定,BUCK主电路VIN =36V,L=17.5μH,C=300μF,开关频率ƒ=300kHz,负载电阻范围为0.6Ω~5Ω,这里取RL=1.2Ω。看TI的PWM控制器UC3823的芯片资料里说RAMP脚斜坡电压的峰峰值好像为为VRAMP=1.8V,UC3823的2脚电压设置为5V。要求BUCK电源输出电压10V.
This thread has been locked.
If you have a related question, please click the "Ask a related question" button in the top right corner. The newly created question will be automatically linked to this question.
Other Parts Discussed in Thread: UC3823
小弟最近使用TI的UC3823设计了一款300KHz的BUCK电源。经实验测定,BUCK主电路VIN =36V,L=17.5μH,C=300μF,开关频率ƒ=300kHz,负载电阻范围为0.6Ω~5Ω,这里取RL=1.2Ω。看TI的PWM控制器UC3823的芯片资料里说RAMP脚斜坡电压的峰峰值好像为为VRAMP=1.8V,UC3823的2脚电压设置为5V。要求BUCK电源输出电压10V.