This thread has been locked.

If you have a related question, please click the "Ask a related question" button in the top right corner. The newly created question will be automatically linked to this question.

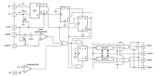
UCC3895: UCC3895的内置逐周期限流功能

Part Number: UCC3895


现在是利用UCC3895作为LLC谐振变换器的主控芯片,采用单电压环控制,Ramp连到CT脚。同时想利用3895内部的限流功能,在仿真里采样电路设置好之后发现的确有限流效果,但并不是通过移相控制进行限流,是改变了OUTC和OUTD输出脉冲的占空比。如仿真波形图所示,OUTC和OUTD的输出仍是互补的,但不再是50%了,这样造成限流后波形的正负峰值也是不对称的。