Other Parts Discussed in Thread: TINA-TI,
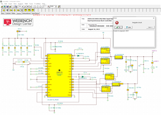
I make a LM25119 DCDC generator under interleaved mode in TINA-TI app. but I find app pop up a error message which show as below. I am sure this circuit can work and the component I put is fine. I try to change mode from interleaved mode to single mode. then system can work.
I suspect this model can't support interleaved mode. anyone can confirm it for me?
