
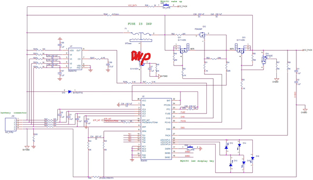
我的电路图是参考bq4050EVM-561 评估模块做的,现在把后级电路断开了,电流竟然是mA级的,太高了,但是不知道哪里出了问题,可以烦请各位高手帮忙解答一下了
This thread has been locked.
If you have a related question, please click the "Ask a related question" button in the top right corner. The newly created question will be automatically linked to this question.