This thread has been locked.

If you have a related question, please click the "Ask a related question" button in the top right corner. The newly created question will be automatically linked to this question.

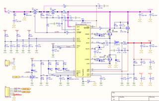
BQ24630RGE调整输出电压后,STAT1与STAT2状态灯全灭,不能正常输出电压充电

Part Number: bq24630RGE
Other Parts Discussed in Thread: BQ24630

我用BQ24630RGE做了一个充电器,为4节LiFeP04充电。刚开始R21用的是1.4MΩ电阻,可以实现充电。后来打算将输出电压调整到14.6V左右,将R21换成750KΩ,更换电阻后,STAT1与STAT2指示灯全灭,BQ24630第19Pin LODRV无PWM输出,但第21Pin HIDRV是有PWM输出的。请问更换电阻后,为什么STAT1与STAT2指示灯全灭,LODRV无PWM输出,不能正常输出电压充电呢?急盼回复,谢谢!