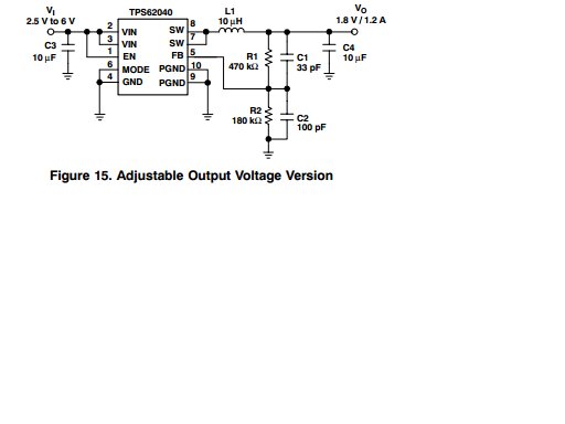
你好,请教问题.我测试该器件时,按照典型回路设计的测试板。EN接电源,MODE接地,电感选的10uh,但是加电后输入端和输出明显振荡(输入输出电容都选10uf电解电容!请问有什么办法解决)
This thread has been locked.
If you have a related question, please click the "Ask a related question" button in the top right corner. The newly created question will be automatically linked to this question.
你好,请教问题.我测试该器件时,按照典型回路设计的测试板。EN接电源,MODE接地,电感选的10uh,但是加电后输入端和输出明显振荡(输入输出电容都选10uf电解电容!请问有什么办法解决)
HI
电解电容的ESR非常大, TPS62040内部有补偿网络,在较大的输出电容ESR时可能造成补偿不够,而引起不稳定,datasheet推荐较低ESR的陶瓷电容。如果对纹波要求不高,低ESR的钽电容也是可以的。