This thread has been locked.

If you have a related question, please click the "Ask a related question" button in the top right corner. The newly created question will be automatically linked to this question.

UCD9222调试线缆USB-TO-GPIO使用问题

Other Parts Discussed in Thread: UCD9222, UCD7242, UCD9224, TMS320C6678

我自己做的板子,参照TI的EVM6678开发板做的,ucd9222+7242提供两路1.0的电压,电路也是照着设计的

现在的问题是:我用usb-to-gpio连接电脑与板卡后,电脑上的调试软件(online模式)扫描不到器件,连接TI的开发板可以正常扫描到,通过测试发现开发板的PMBus_alert脚是3.3V,我的板子是0V,但这个信号我的板子和开发板都是100K上拉到3.3V的。电阻也没有虚焊啊????

我的板子现在在调试电源:ucd9222的供电电压3.3V已经正常了,UCD7222的供电电压12V现在断开着,请问UCD7242没有供电影响UCD9222与电脑的连接吗?

  • UCD7242的供电电源12V没有接,是不会影响UCD9222与GUI的通信的。主要是DATA, CLK是否也是正常的??在UCD9222没有上电时,只有USB-TO-GPIO口与板子相连时是否为高??建议认真检查下自己做的板。

  • 板卡加电,9222芯片也供电时,usb-to-gpio没有连接板卡时,DAT,CTL,CLK引脚都是3.3V,ALT为0V,这算正常吗?还是需要用示波器测试一下?

    ”在UCD9222没有上电时,只有USB-TO-GPIO口与板子相连时是否为高?“是什么意思,板卡不供电吗?测哪个引脚?

    你说的检查的思路是什么?哪些引脚需要被测,测试条件是什么,正常情况应该是什么ALT,CTL,DAT,CTL应该是什么值?可以解释得清楚些吗?谢谢

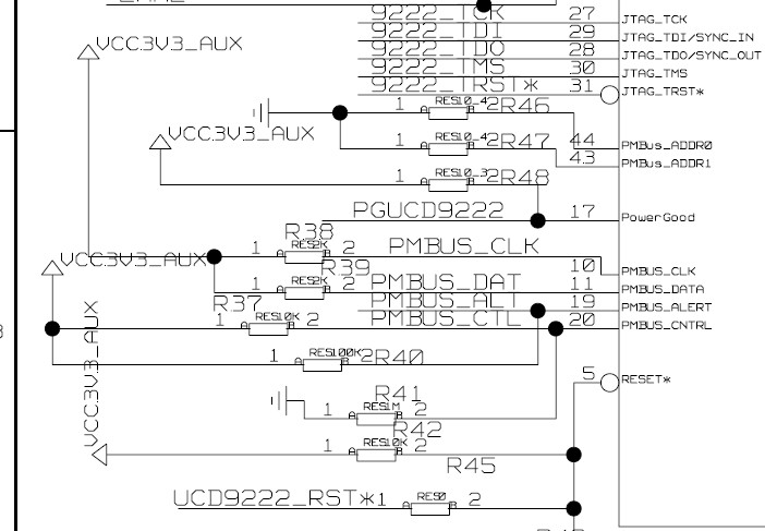
    附件中是我的原理图

  • 在没有数据通信时, 在UCD9222没有上电时,只有USB-TO-GPIO口与板子相连时,USB-TO-GPIO的内部有上拉,所以此时CLK, DAT都为高。

    板卡加电,9222芯片也供电时,usb-to-gpio没有连接板卡时, 没有进行通信,此时因有上拉,正常时应该是CLK, DAT, ALT应该都为高吧。

    对于你的原理图,CTL即上拉又拉,这样接是有问题的。

    建议参考UCD9224的原理图:http://www.ti.com.cn/cn/lit/ug/sluu443/sluu443.pdf

     

  • 我按你说的试试,谢谢

    有结果了再给反馈给你

  • 测试结果:CTL脚1M的下拉电阻已经去掉

    1) usb-to-gpio与电脑连接,但未与UCD9222连接,usb-to-gpio 10pin插头上的电压   7脚CTL 0V   8脚ALERT 3.3V   9脚clk 3.3V  10脚DAT 3.3V

            usb-to-gpio与电脑连接,与UCD9222连接,但不加电, 7脚 CTL 0V   8脚 ALERT 1.13V  9脚CLK 1.0V   10脚DAT 1.0V

    2)  usb-to-gpio不连接ucd9222,9222加电时: 7脚CTL 3.3V  8脚ALERT 0V   9脚CLK 3.3V  10脚DAT  3.3V

        手里有一块TMS320C6678EVM开发板,上面有UCD9222,已经正常工作,经测试,上电时,CTL.ALERT CLK  DAT引脚电压均为高

    3)目前电脑通过usb to gpio连接9222后,还是扫不到器件,alert的上拉电阻试着换成10K的也不起作用,UCD9222的POWERGOOD引脚通过100K电阻上拉到3.3V,测试的时候POWERGOOD引脚也是接近0V(0.02V)

    4)  疑问:开发板的ucd9222正常工作时的alert脚电压是3.3V,我现在的9222扫不到,我可以这样认为:

        a)9222正常工作之前,alert引脚0V是正常的,可以再查别 的引脚有没有问题

       b)9222alert引脚确实有问题,比如虚焊什么的(但目前测试好像没有虚焊)

      c)还有一种可能是ucd9222芯片不正常(比如是封装或是电源供电有问题什么的),如果是芯片有问题,我通过测试哪个引脚可以证明芯片是有问题?(powergood引脚的低电平是不是可以说明目前芯片有问题)

    请工程师帮忙分析一下,谢谢!

  • 进一步测试发现:TI的6678EVM开发板,只三根线:GND  CLK   DAT与USB-TO-GPIO连接,电脑也能扫到器件,自己的板子用这三根线也无法扫描到设备。CLK与DAT都被上拉到3.3V,自己的板子与开发板在这一部分是一样的。现在怀疑:

    1)  ucd9222没有有工作,或者9222已经坏掉,但问题是我怎么证明器件是坏的,测试哪个管脚?

    2)  9222的使能信号,ALT,CLK,CTL,DAT  powergood信号与FPGA连接,但目前FPGA中没有相关程序控制9222,只是把管教设置成了高阻态,这些引脚对电脑能否扫到设备有影响吗?如果有的话需要怎么处理?

    3)  9222控制7242,但目前7242的输出端SWA,SWB并没有反馈到ucd9222, 中间通过跳线进行了隔离,这对电脑能否扫到设备有影响吗?

    望解答!!!!谢谢

  • yaoqin zhang 说:

    进一步测试发现:TI的6678EVM开发板,只三根线:GND  CLK   DAT与USB-TO-GPIO连接,电脑也能扫到器件,自己的板子用这三根线也无法扫描到设备。CLK与DAT都被上拉到3.3V,自己的板子与开发板在这一部分是一样的。现在怀疑:

    1)  ucd9222没有有工作,或者9222已经坏掉,但问题是我怎么证明器件是坏的,测试哪个管脚?

    2)  9222的使能信号,ALT,CLK,CTL,DAT  powergood信号与FPGA连接,但目前FPGA中没有相关程序控制9222,只是把管教设置成了高阻态,这些引脚对电脑能否扫到设备有影响吗?如果有的话需要怎么处理?

    3)  9222控制7242,但目前7242的输出端SWA,SWB并没有反馈到ucd9222, 中间通过跳线进行了隔离,这对电脑能否扫到设备有影响吗?

    望解答!!!!谢谢

    PMBUS,中ALEART 和 CNTRL引脚不是必须的,可选的,只要CLK, DATA这些引脚正常的话,也是能正常通信的。

    1) 可测试V33DIO, V33A, BPcap引脚看其电压是否正常。

    2)不会影响的。

    3)不会影响。

    最有可能是焊接问题,建议再重新焊接或者换个新的芯片焊接。

  • 换了一块板子,扫到设备了,之前那块也不知道问题出在哪里、

    现在正在调试,有些新的问题,望解答:

     两路输出分别设置为0.9V   1.0V,界面监视输出也显示0.9跟1.0V,可是用万用表实际测量发现,这两路输出都在1.3V左右,把输出设置为0.8V时,实测电压降到了1.1V左右,请问这是什么原因造成的,需要调整那些参数或设置?

    说明:1 工程文件xml使用6678开发板提供的xml文件修改得到,修改了原理图中周围电阻电容的数值(根据自己的板卡)

                2 板卡中9222输出通道A的VIDA/B/C/D通过一个3.3V转1.8V的转换芯片连接到TMS320C6678的VID引脚,但转换芯片的的1.8V电压未提供,因该电压也6678的1.8V  IO电压为同一电压,担心会对DSP造成破坏,这是造成我实际输出偏大的原因吗?